Y63ZQ Standard Pressure Gauge With Front Flange And Black Steel Case , Back Coonction
BRIEF INTRODUCTION
Standard pressure gauge are suitable for measuring the pressure of liquid, gas, and steam or vacuum, which are non-crystalloid and non-concretionary, and have no danger of explosion and do not erode steel and copper alloy.
APPLICATIONS
Pneumatics,Air compressor,Vacuum pump, Pressure air regulating, Testing equipment,etc.
OPTION
1.With retard scale spacing ,adjustable green sector and red mark pointer for heating systems,
2.With othe unit according requirement, such as bar,psi,kg/cm2 in dial
3.Pneumatictool with rubber
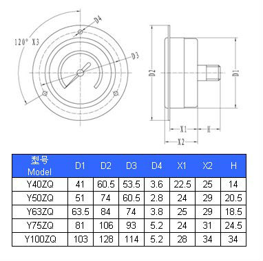
DIMENSIONS IN mm

ORDERING INFORMATION
Model / Nominal size / Scale range / Connection size / Options
Note: The requirements can be customized
ABOUT US
Cixi City Jiu Zhou Special Pressure Gauges Factory is located in Cixi, Ningbo, which is beautiful, rich and strong economic city.
We are a manufacturer of press instruments, and are specialized in producing and developing. After almost 20 years of effort, our company has already had advanced craft equipment and complete test facilities, ensuring high quality products. With the help of China Jiliang University, by heaps of times of innovation and practice, our products have been mainly exported to overseas markets. We also have won a good credit standing in the field.
We will give all support to our distributors, and will cooperate with each other to enlarge the market share together. We will try our best to create cleaner and leisure life for you with our quality products and the best after-sales service. You are welcome to visit our factory.






